DZC垂直振動提升機代號解釋|結構圖原理
文章作者:奧創機械發布時間:2019/12/26 11:47:51瀏覽次數:
垂直振動提升機結構原理
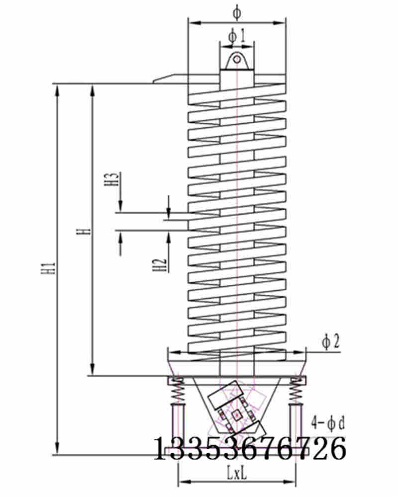
垂直振動提升機的驅動裝置振動電機安裝在輸送塔下部,兩臺振動電機對稱交叉安裝,輸送塔由管體和焊接在管體周圍的螺旋輸送槽組成,輸送塔座于減振裝置上,減振裝置由底座和隔振彈簧組成。當垂直輸送機工作時,根據雙振動電機自同步原理,由振動電機產生激振力,強迫整個輸送塔體作水平圓運動和向上垂直運動的空間復合振動,螺旋槽內的物料則受輸送槽的作用,作勻速拋擲圓運動,沿輸送槽體向上運動,從而完成物料的向上(或向下)輸送作業。
垂直振動提升機結構圖
電機振動垂直提升機是由提升槽、振動電機、減振系統和底座等組成。
垂直振動提升機產品圖片
垂直振動提升機代號解釋
DZ C 600
┬ ┬ ┬
│ │ │
│ │ │
│ │ │
│ │ └─────────────輸送槽直徑(mm)
│ │
│ └──────────────-垂直
│
└────────────────電機振動
振動提升機技術參數表:
垂直振動提升機廠家提示:請通過正規渠道購買奧創輸送機,以保障您的合法權益!
訂購網址請登錄河南奧創機械有限公司官方網站: m.teecy.cn 24小時服務熱線:13353676726


